多种支护结构在某邻近城市轨道交通基坑中的应用
2016-06-01
447
0
核心提示:前言 本工程处在既有轨道交通的三角形地块中,针对基坑所处的不同的周边环境,结合地质条件并兼顾基坑深度,采用了多种支护结
前言
本工程处在既有轨道交通的三角形地块中,针对基坑所处的不同的周边环境,结合地质条件并兼顾基坑深度,采用了多种支护结构型式,既可以保证基坑施工的安全,也可确保临近既有轨道交通的正常运行。
支护设计方案
1、针对工程特点,基坑采用分区、分步施工;
2、距离地铁围护结构较近处采用了双排桩、钢支撑等支护型式;
3、根据基坑围护结构与地铁的位置关系,调整锚杆长度和位置,确保锚杆施工避开承台;
4、局部地区加大桩径,加长嵌固深度,隔离基坑与地铁。
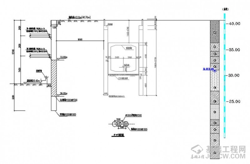
4’-4’剖面
6-6剖面
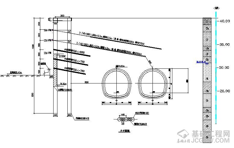
9-9剖面

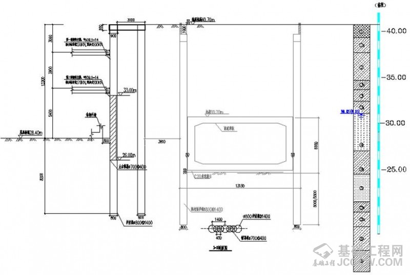
12-12剖面

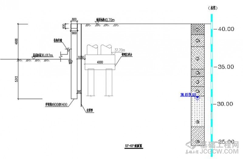
13’-13’剖面
地下水控制措施
1、采用桩间旋喷桩止水帷幕结合坑内布置疏干井的方式控制地下水。
2、疏干井成井直径600mm,管井采用外径400mm,壁厚50mm的无砂混凝土管井。
3、坑内布置疏干井39眼,井深16.0m,标准井间距20.0m。
4、坑外布置水位观测井10眼,井深16.0m。
5、坑内局部加深部位采用止水注浆措施。
基坑监测方案
桩(坡)顶水平位移测点
桩(坡)顶竖向位移测点
地表沉降监测
锚杆内力监测
深层位移监测
地下水位监测
支撑轴力监测
监测项目应包括轨道结构变形、隧道结构变形、人工巡查等。
监测控制值为:
出入段线横向变形控制值2mm;
明挖段竖向变形沉降控制值2mm;
U型槽段竖向变形沉降控制值2mm;
变形缝差异沉降控制值1mm;
区间正线横向变形控制值1.5mm;竖向上浮控制值2mm;
咽喉区承台横向变形控制值1.0mm,竖向变形控制值1.0mm
基坑及相邻建(构)筑物的变形预测
•本工程的主要风险点在于对北侧地铁线出入段线和南侧区间正线的安全性影响。
1.理正岩土计算软件
2-2剖面位移包络线
距离最近点拟建结构与地铁围护结构约7m。不具备锚索施工的条件,故采用了双排桩+钢支撑支护型式。地面超载按条形荷载20kPa,宽度4.00m,距基坑2.00m考虑。经过理正软件计算得出最大位移为3.88mm。
4-4剖面位移包络线
对应地铁出入段线明挖区间,距离最近点拟建结构与地铁围护结构约10m。不具备锚索施工的条件,故采用了双排桩悬臂的支护型式,为进一步控制变形,采用注浆方式加固土体。地面超载按条形荷载20kPa,宽度4.00m,距基坑2.00m考虑。经过理正软件计算得出最大位移为17.96mm。
2.有限元计算软件
由于本工程范围较大,根据地铁结构与基坑的相对位置关系及特点,将该工程分为三个区段,第一区段为工程西区,第二区段为基坑东区,第三区段仅针对出入段线U型槽影响范围建模。分别模拟不同区段基坑开挖、支护及施工对地铁结构的影响。
第二区段与既有结构计算模型


第三区段与既有结构计算模型

变形控制指标
3.工程类比
•该工程北侧紧邻锅炉房。锅炉房基坑底标高为-11.56m,基坑深度为12.00m。大面积采用桩锚支护,围护桩长16.50m, 嵌固深度4.50m,桩径0.80m、1.0m,间距1.40m,局部采用钢支撑。采用桩间旋喷止水控制地下水。此工程现已完成,并投入使用。开挖期间基坑结构各项监控指标均在控制值范围内。
•该工程西侧紧邻动力中心。动力中心基坑底相对标高为-7.01m,基坑深度6.50m。采用悬臂桩支护方式。围护桩长13.50m,嵌固深度7.00m,桩径1.00m,间距1.50m。此工程现已完成,开挖期间各项监控指标均在控制值范围内。
•根据该项目同场地施工的锅炉房和动力中心的设计与施工经验,分析其施工及工后的监测结果,可知,只要严格按照设计及施工组织设计施工,支护结构的变形可控,可以确保既有城市轨道交通的安全正常运行。
4.专家评审
•考虑工程场地的复杂性和工程的重要性,业主邀请了北京市有关城市轨道交通的教学、可研、设计、施工单位反面的资深专家组成专家组,对本工程基坑支护设计、安全评估、施工组织设计及监测方案进行了评审,通过交流、探讨,一致认为根据北京市工程建设的经验,本工程基坑支护设计可以满足基坑开挖防护的要求,并能确保邻近的城市轨道交通正常运行。
(本文摘自2016海峡两岸岩土工程/地工技术交流研讨会分会场报告,报告人:董慧超)