基于STM32的地基沉降测量装置的设计

2015-07-08 319 0
核心提示:设计一种基于STM32的地基沉降测量装置。利用数据采集器和位移传感器实现沉降量变化的测量和数据采集,相邻的数据采集器通过CAN总线进行数据传输,终端通过无线网络可与上位机通讯,从而实现对各监测点沉降量变化的监测。通过多次实验测试发现本装置能够可靠运行,具有很好的鲁棒性。

  近年来我国城镇化进程加快,城市人口越来越多,生产和交通工具密集,解决城市发展过程中的交通问题仍是一大问题,地铁等轨道交通建设也随之进入黄金发展期。地铁工程的施工,会引起地层移动而导致不同程度的沉降和位移,由于施工技术和周围环境、岩土介质的复杂性,即使采用最先进的施工方法,其引起的地层移动也是不可能完全避免的。毫无疑问,地铁隧道地基沉降问题是影响地铁运行的重要因素[1]。为保障地铁可靠运行需要不定时甚至实时监测地基沉降的情况[2]。目前,我国使用的测试仪大多数还是电磁式沉降仪,需要采取人工到现场进行数据读取和记录,测量时往往与施工相互干扰,对数据精度影响较大,而数据传输采用RS485通讯方式,传输距离较短。
 
  本文以数字化、自动化为目标,完成了对地基沉降测试装置的设计,具体内容包括智能传感器设计、采集电路设计、多种通讯接口电路以及基于STM32F105芯片的硬件设计,并实现了该装置的软件部分。
 
  1系统总体设计
 
  本地基沉降测量装置的设计是基于电子技术、信息技术、检测技术、计算机网络技术等有机地融为一体的智能测量装置。总体结构框图如图1所示。
 
  本装置的智能传感器是将地基沉降量转化成供数据采集器采集的频率信号;单个数据采集器可以同时采集多路智能传感器的频率信号并进行相应的数据处理,数据采集器之间通过CAN总线进行数据传输。本装置还可将采集到的数据通过RS485接口直接发送智能读数仪,或者通过RS232接口将数据传送给计算机或者现场显示屏。此外,数据采集器还可通过CAN总线与GPRS远程传输模块通讯,将当前数据传送给远程服务器或监控手机,实现地基沉降量的远程监控。
 
  本装置在没有位移量发生的情况下会定期向智能传感器保存监测数据,否则会提高数据采集处理的频率并保存监测数据。监测数据包括各自的标号、监测时间和位移量等数据;数据采集器从智能传感器中读取监测数据,并进行位移量的计算,同时将封装好的数据发送给远程服务器或上位机;上位机能对整个系统各监测点的数据进行接收、存储、分析,并通过曲线实时显示,同时还能进行报警预置和远程控制。
 
  图1总体结构框图
 
  2系统硬件设计
 
  本地基沉降测量装置中硬件的设计主要包括主控电路、智能传感器、CAN总线通讯以及RS485通讯电路等。
 
  江苏理工学院学报第20卷
 
  第2期
 
  缪建华游小荣:基于STM32的地基沉降测量装置的设计
 
  2.1智能传感器
 
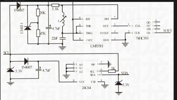
  智能传感器采用的是电感式位移传感器,在其内部装有数据存储芯片。智能传感器内部原理图如图2所示。
 

 
  图2智能传感器内部原理图
 
  本装置沉降量的测量是通过将位移量的变化转换成电感值的变化,进而转化成频率的变化。由图2可见,沉降量到频率的转换采用的是用LM555构成的多谐振荡器电路。沉降量的变化导致电感值的变化,从而改变多谐振荡器的输出频率,因此测量多谐振荡器的输出频率并通过计算方可得到当前的沉降量。为了保证数据采集器可以采集到有效的波形,多谐振荡器输出的信号经过74HC393进行了分频和整形。
 
  本智能传感器的数据存储采用的是支持I2C总线数据传送协议的串行E2PROM存储芯片AT24C64,可以方便地与数据采集器连接,存储芯片AT24C64的串行时钟信号线SCL既作为AT24C64的数据发送或接收的时钟信号,同时在高电平时为两只电解电容充电,为传感器部分提供电源。SDA为串行数据信号线,用于传送地址和所有数据的发送和接受。由于位移量和电感值之间并不是线性关系,所以在此智能传感器的生产过程中需要对一些特定的位移点进行电感值的标定,其标定的值存储在存储芯片AT24C64中,以便数据采集器的调用。
 
  2.2主控电路的设计
 
  主控电路原理图如图3所示,包括微处理器、对智能传感器的信号采集部分和存储器的数据读写部分等。微处理器采用的是STMicroelectronics公司推出的STM32F105。STM32F105是一款基于ARMCortex-M3内核的32位微控制器,其内核是专门设计用于满足高性能、低功耗、实时应用的嵌入式领域的要求。与ARM7微控制器相比,由于采用Thumb-2指令集,STM32运行速度最多可快35%且代码最多节省45%[3]。本数据采集器可同时对六路智能传感器进行数据采集,图3中对传感器的数据采集是以其中一路为例,传感器输出的波形信号OUTCLK1经过三极管开关电路连接至STM32F105的29脚(INCLK1)。传感器中存储芯片的串行时钟信号线SCL不仅是数据读写的始终信号线,同时作为传感器的电源,所以时钟SCL1需要经过电流放大电路后(OUTSCL1)与传感器电路相连;传感器的串行数据信号线SDA通过双向总线发送器/接收器74HC245与STM32F105的数据端口连接。
 

 
  图3主控电路原理图
 
  2.3通讯电路的设计
 
本沉降测试装置中为了实现多点同时监测,数据采集器之间需要进行扩展,同时采集后的数据经过终端传输到上位机或专用读数仪进行显示,这就需要相关的通讯电路。考虑到远距离数据传输的可靠性,设计中主要采用的通讯方式为CAN总线通讯方式。各采集器通RS485与智能读数仪通讯;通过RS232与现场计算机通讯。 


  在所有的现场总线中,CAN总线被公认为抗干扰性能强、工作可靠、实时高效和成本低廉的串行通信网络[4],被广泛应用于现代工业自动化控制中。CAN通信接口器件需两类:协议控制器和收发驱动器。而STM32F105控制器内部集成了2路独立的CAN协议控制器,避免了总线外扩引入的干扰,只需外接收发驱动器即可,简化了电路设计,降低了成本,这使得通信变得较为简单。单个采集器上设有两只CAN总线接口用于采集器之间的级联[5]。CAN总线收发器选择的是德州仪器的VP230,其工作电压为3.3V,满足HBM模式16kV的ESD防护,允许总线上多达120个节点,具有过热关断保护功能。CAN1TX和CAN1RX与STM32F105的端口相连,CAN1H和CAN2L分别为CAN总线的高电平和低电平输入/输出端口。如电路中需要增强抗干扰性能,可以在STM32F105和VP230之间采用高速光耦隔离,并将收发器VP230放在光耦的外侧。
 
  本装置中为了现场的调试和观测,在每个数据采集器上配有标准的RS232串口数据通讯接口以便于计算机连接;同时为了防止在系统运行中CAN总线出现问题和故障,可以使用智能读数仪在现场通过RS485总线读取每一个数据采集器中及对应智能传感器的数值。RS485总线采用的是Sipex公司提供的高可靠性RS-485/422收发器SP3078,其内嵌ESD保护电路、无需外接TVS保护管,节省成本。
 
  3系统软件设计
 
  本装置的系统软件主要包括数据采集、数据处理、数据封装、数据传送等部分。
 
  (1)初始化:定时器配置、外部中断配置、串口配置、内存分配等。
 
  (2)计算频率和位移量:
 
  计算频率:先统计1s时间内的完整脉冲的数量(频率的整数部分),再计算频率的小数部分D。
 
  D=剩余脉冲的定时值完整脉冲的定时值
 
  计算位移量:根据得到的频率通过查表(已事先标定)和小范围内线性公式计算得到位移量。
 
  (3)数据封装:通过使用ModbusRTU格式进行封装。
 
  4实验结果
 
  本装置在实验中以200mm的地基沉降传感器为例,位移传感器的标定沉降量和标定频率是一个标准值,测量频率和沉降量测量值如表1所示,其测量精度小于1%F.S,符合设计要求。
 
  表1实验结果分析表
 
  序号沉降量真值/mm标定频率/Hz测量频率/Hz沉降量测量值/mm沉降误差/%
 
  101303.21304.00
 
  210.001330.51330.49.96-0.4
 
  320.001360.41360.620.060.3
 
  450.001457.71458.650.300.6
 
  580.001567.01568.280.310.4
 
  6100.001647.41649.9100.600.6
 
  7150.001869.41875.1151.200.8
 
  8200.002115.92126.1201.900.9
 
  5结束语
 
  基于STM32F105地基沉降测试装置经多次实验测试,测量精度符合设计要求,运行稳定具有很好的鲁棒性;采用CAN总线数据传输方式通讯距离较远,智能化程度高,具有一定的应用价值;由于测试参数相对单一,在环境温度和湿度等参数测试需进一步完善。
 
  参考文献:
 
  [1]刘洪海,黄永红.城市地铁施工沉降的数值模拟研究[J].四川理工学院学报,2012(1):80-82.
 
  [2]鲁民功.试论铁路桥梁桩基沉降问题[J].科技创业家,2012(07):35
 
  [3]STMicroelectronics.STM32F101xx,STM32F102xx,STM32F103xx,STM32F105xxandSTM32F107xxadvancedARMbased32bitMCUs[DB/OL](2009-11-10).http://www.st.com.
 
  [4]韩耀振,周余凤,马荣琳.基于CAN总线与射频技术的压开关柜温度监测系统[J].仪表技术与传感器,2009(11):55-58.
 
  [5]汪孟寅,高明煜.基于STM32F105微控制器的双CAN冗余设计[J].杭州电子科技大学学报,2011(2):9-12.

  • 点赞(0
  • 反对(0
  • 举报(0
  • 收藏(0
  • 分享(8
评论(0)

登录后发表评论~