天津文化中心轨道交通枢纽换乘通道盖挖加层的设计与施工
2015-01-22
304
0
核心提示: 关键词:盖挖加层;复合支护;托换;RJP工法;静压钢管桩
摘 要:天津文化中心地下交通枢纽工程为实现L5、L6的付费区换乘,需在既有地下商业空间下方新增一换乘通道。为减少对文化中心地面景观绿化的影响,1-j轴以南利用既有结构顶板作为天然盖板进行盖挖加层施工,其余采用明挖法施工。以该换乘通道的地下加层改造为背景,介绍既有地下空间盖挖加层法的基本原理和施工流程,重点论述其中2项关键施工技术,包括低净空条件下的新型围护技术和复杂工况下的结构托换技术。
盖挖加层法是在传统盖挖法基础上发展起来的一种新型施工方法,它利用既有地下结构的顶板作为盖板,结合改进的RJP复合围护工艺,将地下结构整体托换后向下暗挖加层。该方法避免了大面积敞开式开挖,施工期间不影响地面交通,也无需搬迁地下管线,为解决既有建筑物地下室改造和中心城区地下空间加层等问题开辟了一条新途径。
关键词:盖挖加层;复合支护;托换;RJP工法;静压钢管桩
1工程概况
天津市文化中心地下交通枢纽地处天津中心城区,位于市政府旁的友谊路东侧,涉及3条轨道交通线路。根据轨道交通规划,需在既有地下商业空间下方新增换乘通道,以实现L5文化中心站和L6行政中心站的付费区换乘。为减少对文化中心地面景观绿化的影响,利用既有地下空间结构顶板作为天然盖板,采用盖挖加层的方式将既有一层地下空间改造为地下二层。换乘通道总平面图见图1。

图1 换乘通道总平面图
2围护结构设计
2.1低净空条件下的新型围护技术
考虑既有地下结构6.3~7.7m的净空高度,而且紧邻L5文化中心站,受工艺和设备的限制,常规的地下连续墙、钻孔灌注桩、SMW工法等均无法实施。而高压旋喷工法具有施工设备小型化的特点,一直都被作为在狭隘场所施工的首选工艺。为解决低净空条件下围护结构施工难题,借鉴SMW工法的基本原理,由RJP设备高压旋喷形成止水帷幕,液压振动锤分节压入H型钢承受水土压力,两者共同形成复合围护结构。传统的SWM工法是先旋喷搅拌,后插入型钢,为避免泥浆硬化后影响型钢的插入,采用先将型钢插入底层,再在型钢间进行旋喷的施工工艺,即IBG工法(见图2)。

图2 IBG工法示意图
2.2围护结构方案
既有地下空间结构净高为6.3~7.7m,围护结构剖面图见图3。换乘通道向下暗挖高度为7.45m(加层后结构底板埋深约为18m),通道东、北、西向新施工的围护结构采用φ1600mmMJS旋喷桩内插H型钢(700mm×300mm×13mm×24mm)。北侧利用原文化中心地下交通枢纽围护结构(800mm厚地下连续墙)及RJP旋喷桩内插型钢形成复合围护;南侧利用既有L5围护结构(800mm厚地下连续墙,地下墙深29.4m)。新实施的围护结构和原地下墙相接形成封闭结构。对于底板局部落低(集水坑、自动扶梯坑等)及兼作托换桩处的RJP内插型钢桩桩长均作相应加强处理。

图3 围护结构剖面图(m)
3结构托换设计
3.1复杂工况下的结构托换技术
基础托换技术主要应用于建筑物的基础加固和隧道下穿既有建筑物。常见的托换形式有桩基直接托换、门型框架托换和下支撑梁式托换法等。考虑到施工区域南、北侧紧邻L5车站和文化中心交通枢纽地下连续墙,无法采用门型框架托换和下支撑梁式托换法,因此桩基直接托换法是本工程的最佳选择。
桩基的托换施工需考虑托换沉降变形对上部结构的影响,通过对既有结构顶板容许变形的反分析,得到单桩的最大差异沉降量为10mm。
3.2结构托换方案
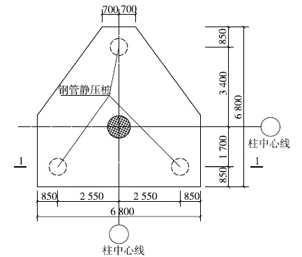
为保证托换施工的安全可靠,托换桩的单桩竖向极限承载力通过静载试验确定,试验采用慢速维持荷载法。从承载力和沉降两方面的试桩数据分析,选用直径500mm、壁厚10mm、桩长27.5m(不包括原结构底板之上部分)的钢管桩作为标准桩型,单桩竖向极限承载力为4400kN。单桩静载试验表明,在钢管桩内填充混凝土对控制沉降有一定效果,同时提高开挖后钢管桩的稳定性,故在压桩完毕后将所有的空心钢管用微膨胀混凝土填实。
结构托换采用托换承台加连系梁的方案。在原有地下空间的结构柱四周压入钢管桩后,在钢管顶部制作承台,承台与原结构立柱通过柱齿槽和锚筋连接,钢管桩上焊接锚筋与承台链接,即采用一承台多桩的形式。在底板上浇筑联系梁,保证在切除底板后地下结构仍有较高刚度和较好的整体性。承台的平面布置见图4,典型承台结构见图5。
图4 承台CT-3结构平面图

图5 承台CT-3结构1-1剖面图
4工程实施
4.1围护结构施工
1)H型钢压入施工。由于施工现场空间狭小,单根型钢需要分4段分节压入。采用挖机配备特制加工的小臂,将液压振拔榔头安装在挖机小臂端部,挖机利用振拔榔头上的液压夹具将分为4m1节的型钢夹紧吊住送至桩位,在导行定位架引导下,调整型钢对准桩位中心,利用打桩机液压锤震动慢慢压入地层。为确保打入精度,除在打入型钢安放导正架进行控制外,还采用挂线来动态控制,确保型钢的倾斜度<1/150H(H为型钢的长度)。
2)RJP旋喷施工。高压旋喷采用日本引进的RJP全方位压力平衡高压旋喷设备,具有三重管构造,高压水、压缩空气、超高压力水泥流体独立喷射,其地基切削能力和传统旋喷工艺相比提高约10%,总体效率提高约30%。此外,高压喷嘴端头的排泥吸口与能测量内压力的传感器可精确控制地基内的压力平衡,使旋喷加固对周边环境的影响降低到最低。
4.2托换结构施工
由于底板厚1.0m,为减少施工噪声,选用金刚石薄壁钻排孔开孔。金刚石薄壁钻以排孔的形式钻凿出直径为550mm的压桩孔,取出混凝土芯。采用风钻开凿锚杆孔,植入φ32mm锚杆,再浇注硫磺胶泥。为减小群桩连续施工对地铁车站的影响和避免箱体结构产生不均匀沉降或抬升,经研究采取跳桩施工工艺,原则为先施工承台桩后施工边跨桩,由2台压桩机从两端向中间对称施工。
5结语
为解决在中心城区建设轨道交通换乘通道对地面交通和地下管线的影响,减少对文化中心地面景观绿化施工影响,本工程采用既有地下结构托换和向下加层的施工技术。针对在6.3m低净空、紧靠L5车站的地方进行加层施工,采用适用于天津软土地层的RJP高压旋喷技术和先插后喷的围护结构施工工艺;针对盖挖加层施工复杂的施工工况,采用适用于本工程的静压钢管桩结构托换技术。目前工程已施工结束,从监测结果来看,施工过程中结构的各项变形指标均满足要求,地面沉降仅10mm,顺利实现了L5、L6的换乘功能。
作者:胡浩,汤翔
转自《中国市政工程》