|
密实
重度g
/ (kN/m3)
|
干重度gd
/ (kN/m3)
|
中值
粒径d50
/ mm
|
相对
密实度Dr
/ %
|
压缩
模量Es
/ MPa
|
内摩
擦角j
/ (°)
|
|
26.5
|
14.6
|
0.204
|
60~80
|
33
|
30
|
,壁厚
,桩长
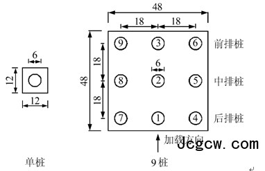
。群桩采用9桩布置,桩中心间距为3D(18 cm),模型桩的弹性模量为212 GPa,模型实物见图2。




为冲刷深度,
为自由长度,
为初始入土深度,
为冲刷坑顶的宽度,
为冲刷坑底的宽度。Lin[3]的研究认为,冲刷深度、宽度及坡度对水平桩承载性能均有影响,其中冲刷深度影响最大,本试验以冲刷深度为变量进行研究。根据文献[8],|
试验组次
|
1#
|
2#
|
3#
|
|
冲刷深度Sd / cm
|
0
|
15
|
30
|





|
类型
|
冲刷深度Sd
/ cm
|
水平承载力H
/ kN
|
群桩效应系数
|
|
单桩
|
0
|
4.0
|
|
|
15
|
2.5
|
||
|
30
|
2.0
|
||
|
9桩
|
0
|
42.5
|
1.18
|
|
15
|
27.9
|
1.24
|
|
|
30
|
23.9
|
1.33
|














