桩柱式基础反射波法单通道检测模型试验
2015-11-04
306
0
核心提示:杨宇1,2(1. 交通运输部公路科学研究所,北京 100088;2.桥梁结构安全技术国家工程实验室,北京 100088) 摘 要:通过单桩式、
杨宇1,2
(1. 交通运输部公路科学研究所,北京 100088;2.桥梁结构安全技术国家工程实验室,北京 100088)
摘 要:通过单桩式、桩柱式(带系梁)、桩柱式(不带系梁)3组桩基础模型分析桩柱式基础反射波法单通道检测的适宜性。采用桩帽(盖梁)顶部激振、桩帽(盖梁)顶部拾振、桩帽(盖梁)下方墩柱侧壁拾振等方式进行检测。桩顶结构物顶面激发的应力波传递到桩身后波速仍在通常的纵波波速范围。盖梁顶部拾振测试中,盖梁端部反射对拾振器影响明显。桩帽(盖梁)下方墩柱侧壁测试中,盖梁端部反射对盖梁下方距盖梁一定距离的拾振器影响较小。当异常信号点较多时,仅采用单通道的拾振方法,不能判别所有的反射信号的来源。模型桩振幅谱相似程度不高,尚不能完全根据振幅谱辨识底座、系梁、盖梁等反射。
关键词:桩;反射波;模型试验;单通道
中图分类号:TU473.1 文献标识码:A
1 前言
对于桩顶有桩帽或承台的情形,在实践中形成了桩帽或承台顶部激振,桩身侧壁不同截面拾振的测试方法[1],并部分纳入规范[2]。
马晔等进行了有盖梁桩基础现场检测试验[3]。结果表明,在盖梁顶面对应桩基中心位置激振时,无论是在桩顶接收还是桩侧接收,所得到的两条速度时程曲线形态相似。
刘建磊等进行了3个实体桥梁桩基检测试验[4]。测试方法分别为:盖梁顶部激振、桩侧接收;桩基侧向接收,桩侧开槽斜向激振;底系梁顶面激振和接收。
柴华友等认为承台顶面激振可以在桩身内形成应力波,同时承台等周边边界对反射波有影响[5]。
孙晓立等则提出了在桩顶钻孔至系梁底部下方,将传感器安装于钻孔底部进行检测的方法[6]。
邵帅通过数值分析和现场试验,认为对于码头基桩,在桩帽和桩身外侧敲击时,次生反射将使上行波曲线在初始阶段出现不规则峰值[7]。
季勇志结合工程检测实例和数值计算,认为对于桩顶固接码头桩基,其纵波无损检测受上部结构的强烈干扰,并在其纵波时域波形上表现为紧接入射波峰之后有类似于扩颈反射信号的反相波动[8]。
张敬一等通过数值分析,提出采用侧面激振法及合理的激振—检波方式,结合小波变换提取反映桩底反射的小波波形,可达到识别桩底反射的目的[9]。
桩柱式基础是公路桥梁主要的基础形式之一。为深入比较桩柱式基础构造上的差异对检测结果的影响,对构造上有一定差异的桩柱式基础模型进行了单通道反射波法检测试验。
2 模型概况
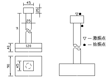
设置了单桩式、桩柱式(带系梁)、桩柱式(不带系梁)3组桩基础模型,主要构造见图1~图3,主要参数见表1。模型均采用C25混凝土浇筑。盖梁(桩帽)、墩柱、系梁和底座均未设置缺陷。
表1 模型桩主要参数表
|
模型桩组号
|
H/cm
|
H1/cm
|
|
T1
|
3.45
|
—
|
|
T2
|
3.45
|
1.65
|
|
T3
|
3.45
|
—
|

图1 T1模型桩总体及测点布置图(尺寸单位:cm)

图2 T2模型桩总体及测点布置图(尺寸单位:cm)

图3 T3模型桩总体及测点布置图(尺寸单位:cm)
3 试验方法
试验时,在盖梁(桩帽)顶部对应墩柱中心位置竖向激振。激振锤采用塑料锤头和金属锤头。
(1)盖梁(桩帽)顶部对应墩柱中心位置附近(偏离中心约8cm)竖向拾振。
(2)在盖梁(桩帽)底部下方距桩帽底部35cm的墩柱侧壁竖向拾振。
拾振器采用加速度传感器,测试仪器采用单通道测试仪。
各模型的试验方式见表2~表3及图1~图3。
表2 T1模型桩试验方式表
|
桩号
|
工况说明
|
敲击锤头材质
|
工况编号
|
|
T1
|
桩顶激振,桩侧接收
|
塑料
|
T1-1
|
|
金属
|
T1-11
|
|
T1
|
桩顶激振,桩顶接收
|
塑料
|
T1-2
|
|
金属
|
T1-21
|
表3 T2模型桩试验方式表
|
桩号
|
工况说明
|
敲击锤头材质
|
工况编号
|
|
T2
|
桩顶激振,桩侧接收
|
塑料
|
T2-1
|
|
金属
|
T2-11
|
|
T2
|
桩顶激振,桩顶接收
|
塑料
|
T2-2
|
|
金属
|
T2-21
|
表4 T3模型桩试验方式表
|
桩号
|
工况说明
|
敲击锤头材质
|
工况编号
|
|
T3
|
桩顶激振,桩侧接收
|
塑料
|
T3-1
|
|
金属
|
T3-11
|
|
T3
|
桩顶激振,桩顶接收
|
塑料
|
T3-2
|
|
金属
|
T3-21
|
4 试验结果
4.1 T1模型桩试验结果
(1)T1-1、T1-11工况测试结果分析
T1-1、T1-11工况中,桩侧接收拾振点距桩帽底部35cm,则该拾振点距底座顶面3.10m,桩长计算范围自拾振点位置至底座顶面,桩长按3.10m取值。T1-1、T1-11工况测试曲线见图4、图6。

图4 T1模型桩测试时域曲线(工况T1-1)

图5 T1模型桩测试振幅谱(工况T1-1)

图6 T1模型桩测试时域曲线(工况T1-11)

图7 T1模型桩测试振幅谱(工况T1-11)
从图4、图6可见,T1-1、T1-11工况测试结果呈现以下特点。
①传感器触发后一段时间,曲线出现与首波反相的信号。与T1模型桩墩柱底部横截面积大于墩柱的特征相符。可以判断该反相信号为T1模型桩墩柱底部的扩径反射。
②桩顶、桩底(软件标称位置)之间的波速大于3000m/s,在通常的混凝土内纵波波速范围。
③桩底(软件标称位置)出现与首波同相的信号。该信号峰值代表的长度值与桩底代表的长度值相差0.65m,经分析认为是桩帽顶端反射形成,理由如下。
T1模型桩底座高度40cm,拾振器距桩帽底部35cm。应力波自底座顶部入射至底座底部时,形成缩颈反射信号,与传感器拾取的首波信号同相。
而应力波自T1模型桩底座顶部反射至传感器后继续传播至桩帽底部,然后形成扩径反射至拾振器,与传感器拾取首波信号反相。
两个信号的行程接近,故反射至传感器时因相位相反而呈现抵消效果,在信号曲线反映不明显。
但应力波传递至桩帽底部后,仍将继续传递至桩帽顶端,形成缩颈反射至传感器,信号与传感器拾取的首波信号同相。桩帽顶端距传感器约0.60m。
因此可形成上述判断。
(2)T1-2、T1-21工况测试结果分析
T1-2、T1-21工况中,拾振点位于桩帽顶部,则该拾振点距底座顶面3.70m。桩长计算范围自拾振点位置至底座顶面,桩长按3.70m取值。T1-2、T1-21工况的测试曲线见图8、图10。

图8 T1模型桩测试时域曲线(工况T1-2)

图9 T1模型桩测试振幅谱(工况T1-2)

图10 T1模型桩测试时域曲线(工况T1-21)

图11 T1模型桩测试振幅谱(工况T1-21)
T1-2、T1-21工况测试结果呈现以下特点。
①拾振器触发后一段时间,曲线出现与首波反相的信号。仍可根据T2模型桩底部与底座相连,底座横截面积大于墩柱的特点,判断桩底位置。
②不能判断桩帽底部的缩颈反射信号。这与桩帽高度较小,反射波法存在浅部缺陷检测盲区有关。
③桩顶、桩底(软件标称位置)之间的波速大于3000m/s,在通常的混凝土内纵波波速范围。
4.2 T2模型桩试验结果
(1)T2-1、T2-11工况测试结果分析
桩侧接收拾振点距桩帽底部35cm,则该拾振点距底座顶面3.10m。桩长计算范围自拾振点位置至底座顶面,按3.10m取值。T1-1、T1-11工况的测试曲线见图12、图14。

图12 T2模型桩测试时域曲线(工况T2-1)

图13 T2模型桩测试振幅谱(工况T2-1)

图14 T2模型桩测试时域曲线(工况T2-11)

图15 T2模型桩测试振幅谱(工况T2-11)
从图12、图14可见,T2-1、T2-11工况测试结果呈现以下特点。
①与图4、图6相比,图12、图14中反射信号数量增多。
②仍可根据T2模型桩底部与底座相连,底座横截面积大于墩柱的特点,判断桩底位置。
③桩顶、桩底(软件标称位置)之间的波速大于3000m/s,处于通常的混凝土内纵波波速范围。
④图14中,桩顶、桩底(软件标称位置)之间存在明显与首波同相、反相的信号。考虑到激振后盖梁内的波速小于与墩柱内的波速(根据其他实验,认为盖梁内的波速约为与墩柱内的波速的1/3),认为该信号不是盖梁端部反射,应为系梁的反射引起。
但图12中,桩顶、桩底(软件标称位置)之间则未见明显的与首波同相、反相的信号。这可能是图12对应的激振锤为塑料锤头,激振频率较低,对浅部异常不敏感所致。
⑤图12、图14中桩底(软件标称位置)之后的反射信号走向与图4、图6相比有明显差异。这应是系梁、盖梁、底座反射综合作用的结果。
(2)T2-2、T2-21工况测试结果分析
拾振点位于桩帽顶部,则该拾振点距底座顶面3.70m。桩长计算范围自拾振点位置至底座顶面,桩长按3.70m取值。T2-2、T2-21工况的测试曲线见图16、图18。

图16 T2模型桩测试时域曲线(工况T2-2)

图17 T2模型桩测试振幅谱(工况T2-2)

图18 T2模型桩测试时域曲线(工况T2-21)

图19 T2模型桩测试振幅谱(工况T2-21)
从图16、图18可见,T2-2、T2-21工况测试结果呈现以下特点。
①与图8、图10相比,图16、图18中反射信号数量增多。
②仍可根据T2模型桩底部与底座相连,底座横截面积大于墩柱的特点,判断桩底位置。
③桩顶、桩底(软件标称位置)之间的波速大于3000m/s,处于通常的混凝土内纵波波速范围。
④在图18中,桩顶、桩底(软件标称位置)之间存在明显的与首波同相、反相的信号。考虑到激振后盖梁内的波速小于与墩柱内的波速,认为该信号不是盖梁端部反射,应为系梁的反射引起。
但图16中,桩顶、桩底(软件标称位置)之间则未见明显的与首波同相、反相的信号。这可能是图16对应的激振锤为塑料锤头,激振频率较低,对浅部异常不敏感所致。
⑤图16、图18中桩底(软件标称位置)之后的反射信号走向与图8、图10相比有明显差异。这应是系梁、盖梁、底座反射综合作用的结果。
4.3 T3模型桩试验结果
(1)T3-1、T3-11工况测试结果分析
桩侧接收拾振点距桩帽底部35cm,则该拾振点距底座顶面3.10m。桩长按3.10m取值。T3-1、T3-11工况的测试曲线见图20、图22。

图20 T3模型桩测试时域曲线(工况T3-1)

图21 T3模型桩测试振幅谱(工况T3-1)

图22 T3模型桩测试时域曲线(工况T3-11)

图23 T3模型桩测试振幅谱(工况T3-11)
从图20、图22可见,T3-1、T3-11工况测试结果呈现以下特点。
①仍可根据T3模型桩底部与底座相连,底座横截面积大于墩柱的特点,判断桩底位置
②图20、图22中桩顶、桩底(软件标称位置)之间信号曲线与图4、图6相似。但桩底(软件标称位置)之后反射信号数量增多。考虑到激振后盖梁内的波速小于与墩柱内的波速,认为这应是盖梁、底座反射综合作用的结果。
(2)T3-2、T3-21工况测试结果分析
拾振点位于桩帽顶部,则该拾振点距底座顶面3.70m。桩长按3.70m取值。T3-2、T3-21工况的测试曲线见图24、图26。

图24 T3模型桩测试时域曲线(工况T3-2)

图25 T3模型桩测试振幅谱(工况T3-2)

图26 T3模型桩测试时域曲线(工况T3-21)

图27 T3模型桩测试振幅谱(工况T3-21)
从图24、图26可见,T3-2、T3-21工况测试结果呈现以下特点。
①仍可根据T3模型桩底部与底座相连,底座横截面积大于墩柱的特点,判断桩底位置
②图24、图26中桩顶、桩底(软件标称位置)之间信号曲线与图8、图10相似。但桩底(软件标称位置)之后反射信号数量增多。考虑到激振后盖梁内的波速小于与墩柱内的波速,认为这应是盖梁、底座反射综合作用的结果。
④图24、图26中,桩底(软件标称位置)之后曲线比图16、图18中桩底(软件标称位置)之后曲线更为杂乱。这应是盖梁端部反射的结果。说明在盖梁顶部拾振时,盖梁端部反射的影响更为明显。
5 结语
本模型试验设置3组模型桩,有2组采用直径、高度相同的混凝土墩柱模拟桩柱式基础,其底部设置底座模拟桩身存在异常的情况。
根据3组模型桩的测试信号,可以看出:
(1)桩帽(盖梁)顶部激振、桩帽(盖梁)下方墩柱侧壁拾振时,各模型桩均采集到振动信号。这说明桩顶有结构物时,在桩顶结构物顶面激振激发的应力波能传递到桩身。
(2)桩帽(盖梁)顶部拾振、桩帽(盖梁)下方墩柱侧壁拾振两种拾振方式测得的桩身内混凝土波速均为通常的混凝土纵波波速。
可以认为,桩顶结构物顶面激振激发的应力波传递到桩身后,应力波仍为纵波,但是否为平面波仍需通过其他实验测定[10]。
(3)T2、T3模型桩的盖梁顶部拾振测试表明,盖梁端部反射对拾振器的影响明显。在实际检测中,应尽量避免在盖梁顶部拾振。
(4)T1、T3模型桩桩帽(盖梁)下方墩柱侧壁拾振的信号曲线相似。盖梁端部反射对盖梁下方距盖梁一定距离的拾振器影响较小。
(5)本文的试验均为单通道拾振试验。T2、T3模型桩试验表明,当异常信号点较多时,仅采用单通道的拾振方法,不能判别所有的反射信号的来源。因此,有必要采用多通道拾振的方式来判定反射信号的来源。
(6)从各次试验的测试振幅谱来看,T1、T2、T3模型桩振幅谱相似程度不高,尚不能完全根据振幅谱辨识底座、系梁、盖梁等反射。
参考文献
[1] 陈 凡, 徐天平, 陈久照等.基桩质量检测技术[M]. 北京:中国建筑工业出版社,2003. (CHEN Fan, XU tian-ping, CHEN Jiu-zhao, et al. Technology for pile integrity testing [M]. Beijing: China Architecture and Building Press,2003.(in Chinese))
[2] 中华人民共和国行业标准编写组. JTJ249-2001港口工程桩基动力检测规程[S]. 北京:人民交通出版社,2001.(The Professio
nal Standards Compilation Group of Peoples Republic of China. JTJ249-2001 Specification for dynamic testing of piles in port engineering[S]. Beijing:Peoples Communications Press,2001.(in Chinese))
[3] 马 晔, 张理轻, 杨宇.在役桥梁桩基础低应变反射波法检测试验研究[J]. 世界地震工程, 2010, 26(SP1):216-220. (MA Ye, ZHANG Li-qing, YANG Yu. Experimental research on detection of existing bridge pile by low reflected strain wave method [J]. Chinese Journal of World Earthquake Engineering , 2010, 26(SP1):216-220. (in Chinese))
[4] 刘建磊, 王 新, 付信根.低应变反射波法在既有桥梁基桩检测中的应用[J]. 铁道建筑, 2009, (3):10-12(LIU Jian-lei, WANG Xin, FU Xin-gen. Application of low strain method in existing bridge pile testing[J]. Chinese Journal of Railway structures, 2009, (3):10-12. (in Chinese))
[5] 柴华友, 刘明贵, 李 祺等.应力波在平台-桩系统中传播的实验研究[J].岩土力学, 2002, 23(4):459-464. (CHAI Hua-you, LIU Ming-gui, LI Qi, et al. Propagation of stress waves in a plate - pile system: experimental studies[J]. Chinese Journal of Rock and Soil Mechanics, 2002, 23(4):459-464. (in Chinese)
[6] 孙晓立, 鲁昌河. 改进型低应变法检测既有公路桥梁桩基完整性的数值分析[J]. 广东公路交通, 2014, (2):17-19(SUN Xiao-li, LU Chang-he. Numerical analysis on the improved low strain method to detect integrity of existing highway bridge piles[J]. Chinese Journal of Guangdong highway communication, 2014, (2):17-19. (in Chinese) )
[7] 邵帅.在役高桩梁板式码头桩基完整性快速无损检定方法研究.天津大学[硕士学位论文], 天津, 2011(SHAO Shuai. Research on fast and non-destructive methods of pile integrity of inservice high-piled beam-slab wharf[M. S. Thesis][D], Tianjin: Tianjin University , 2011 (in Chinese))
[8] 季勇志.基于三维导波理论的码头桩基无损检测方法的数值模拟研究.天津大学[博士学位论文][D], 天津, 2010. (JI Yong-zhi. Numerical research of wharf pile foundation non-destructive test method ba
sed on 3D guided-wave theory[Ph. D. Thesis][D], Tianjin: Tianjin University , 2010 (in Chinese))
[9] 张敬一, 陈龙珠, 马 晔等.在役基桩检测方法的数值模拟研究[J].振动与冲击, 2013, 32(21):92-96. (ZHANG Jing-yi, CHEN Long-zhu, MA Ye, et al. Numerical simulation for testing method of existing piles[J]. Chinese Journal of Vibration and Shock, 2013, 32(21):92-96. (in Chinese))
[10] 杨 宇,马 晔.桥梁桩柱式基础低应变法检测适宜性分析及现场试验[J]. 地震工程学报, 2014,36(4):804-812. (YANG Yu, MA Ye. Suitability Analysis of Pile-column Pier Foundation Using Low Strain Method and In Situ Experiments [J]. China Earthquake Engineering Journal , 2014, 36(4):804-812. (in Chinese))